Contact us via info@senlimagnet.com
Hunan Senli Magnet and Electric Technology Co. Ltd.
Home  >  About Us > Press Conference

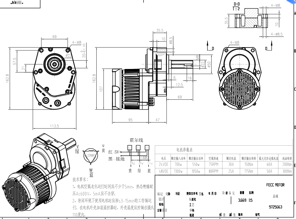
24V/48V 700W/1400W Gearbox motor for Robot , mower driving

Jan. 19, 2026 Share

24V/48V  700W/1400W Gearbox motor for Robot , mower driving


微信图片_20260112104142_65_4.jpg24V700W.png

Copyright © Hunan Senli Magnet and Electric Technology Co. Ltd. All Rights Reserved |Sitemap Powered by