Contact us via info@senlimagnet.com
Hunan Senli Magnet and Electric Technology Co. Ltd.
Home  >  About Us > Press Conference

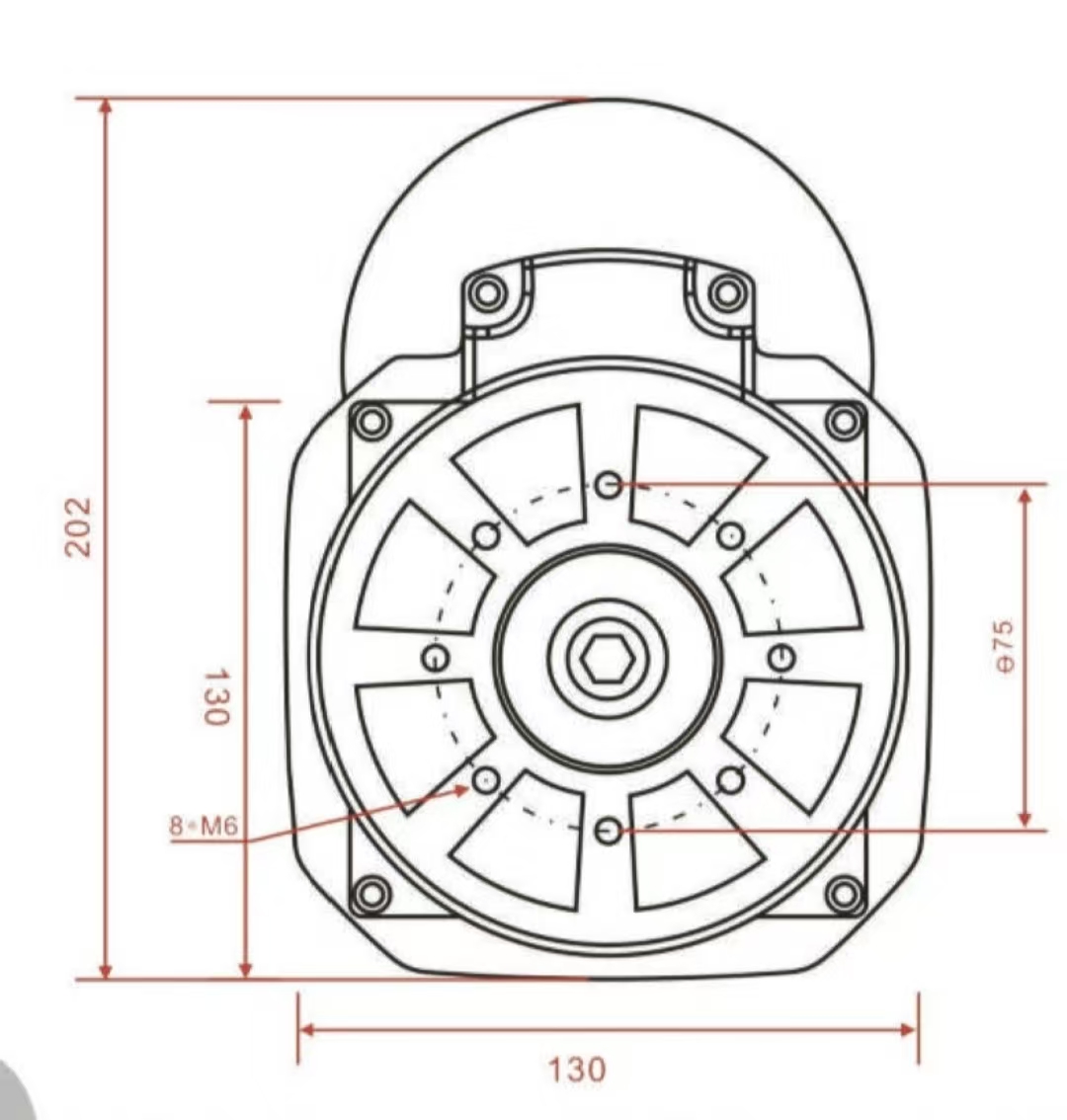
sweeping motor

Mar. 02, 2026 Share

axis flux BLDC motor with gear box for sweeper 

   sweeping motorsweeping motorsweeping motorsweeping motor

Copyright © Hunan Senli Magnet and Electric Technology Co. Ltd. All Rights Reserved |Sitemap Powered by