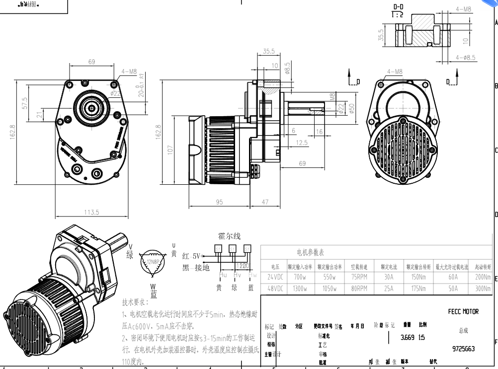
Senli motors is developing low RPM gear motor , this motor can be used in mower driving motor , RC mower , Robot mower , and agricultrural machine



Senli motors is developing low RPM gear motor , this motor can be used in mower driving motor , RC mower , Robot mower , and agricultrural machine


